Zelfaanzuigende zwembadpomp Pentair Superflo 0,75 pk / 230 Volt
De Superflo zwembadpomp van het merk Pentair heeft een stille werking. Dit is gewijd aan een intern hydraulisch ontwerp. Hierdoor is de pomp tevens lager in verbruik en efficiënter in gebruik.
Eigenschappen:
- Geweldig rendement door een minimum aan elektrisch verbruik
- ”Cam en Ramp” deksel voor eenvoudige reiniging en onderhoud
- Motor met hoge capaciteit externe ventilator voor een langere levensduur
- Doorzichtige deksel voor eenvoudige controle van de voorfiltermand
- Zelfaanzuigende zwembadpomp voor een snelle en veilige start
- Hoge prestaties en kracht worden gegarandeerd door de Pentair kwaliteiteisen
- Gecertificeerd volgens CE-normen
- Compatibel met waterbehandeling met zout
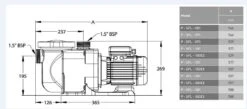
- Aansluitingen: 1 ½” x 2″
Let op: koppelingen niet inbegrepen
















Beoordelingen
Er zijn nog geen beoordelingen.